针对条款ANSI-ESD- S20.20/8.1 和ANSI/ESD S6. 1-2014 进行讲解。在标准给出的表格中列出了三种接地系统要求:
Technical Requirement (技术要求) | lmplementing Process (执行方式) | Test Method (测试方式) | Required Limit (S) (参数限值) |
Grounding / Bonding 接地/等电位相连系统) | Equipment Grounding 设备接地导体 | ANSI/ESD S6.1 | <1.0 ohm impedance <1.0欧姆阻抗<> |
Conductor Auxiliary Ground 辅助接地 | ANSI/ESD S6.1 | <25 ohms to the Equipment Grounding Conductor <25欧姆到设备接地导体<> | |
Equipotential Bonding 等电位相连接 | ANSI/ESD S6.1 | <1.0x109 ohms(3) <1.0x109欧姆(3) |
一、ESD 接地/连接参考系统
实际用途和物理环境决定了能提供最佳的ESD 全面保护系统的接地系统的选择。为建立ESD接地/连接参照点
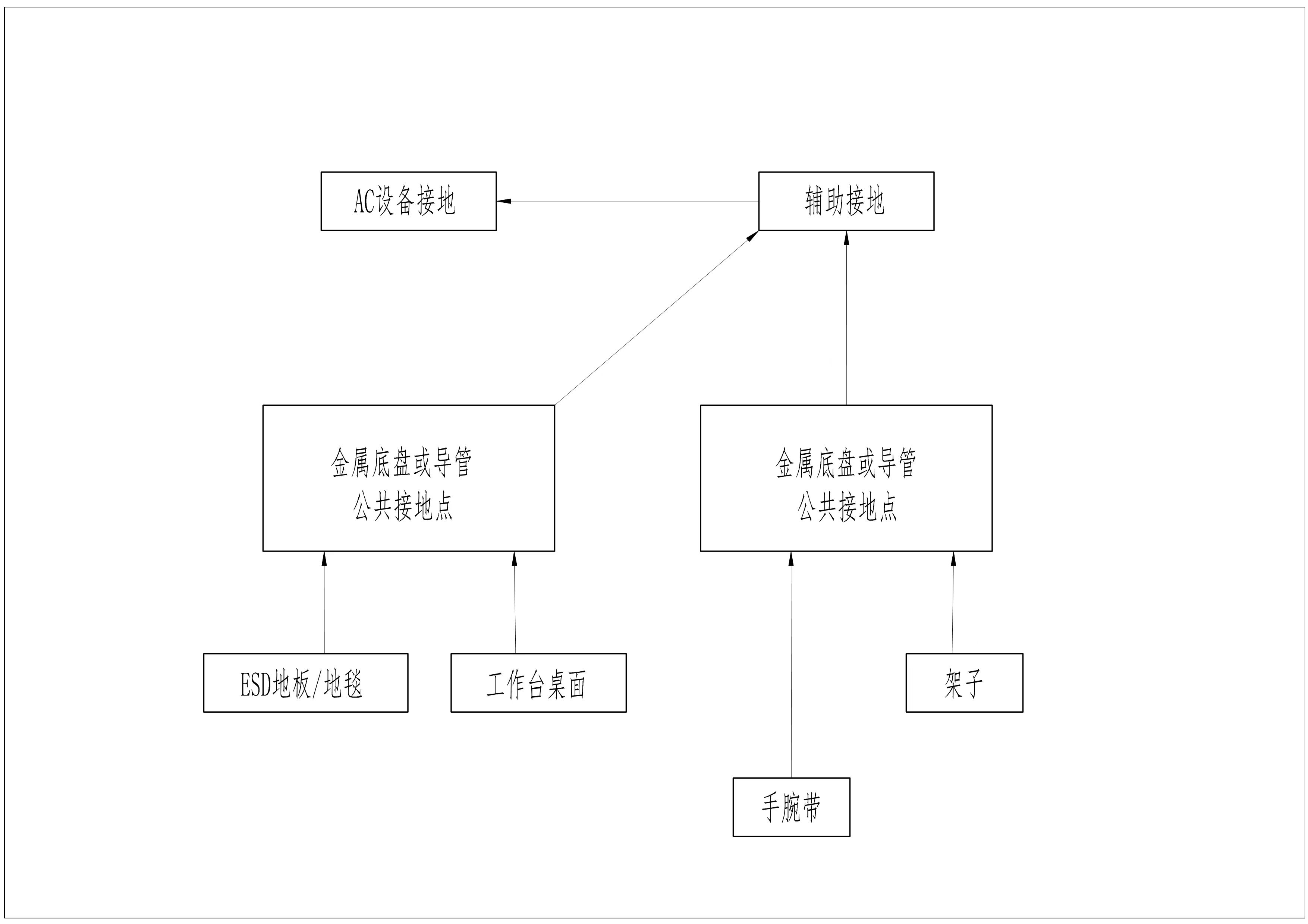
1.1、AC 电设备地
在EPA 中,若适用,AC 设备地是最佳接地选择。设备接地导体将AC 设备地通电连接到建筑的主服务设备面板的接地汇流排。使用这个系统的时候,EPA 中的 AC 设备及所有ESD 技术因素会在或接近同一个电位
1.2、辅助接地

一些设备要求使用独立或辅助的接地系统。在这种情况下,若可行,辅助地应连接到AC 设备d;若不能将这两个地进行电气连接,应注意AC 设备和ESD 技 术因素之间可能存在较大的电位差异

1.3、等电位连接
将所有ESD 技术因素、工作场所内的人员及使用中的设备进行电气互连,从而平衡它们之间的电荷量,以实现安全操作易受ESD 影的物件

二、连接到 ESD 接地/连接参考点
在 EPA 中使用的所有的 ESD 技术要素必须与选定的 ESD 接地/连接参考点进行电气连接。
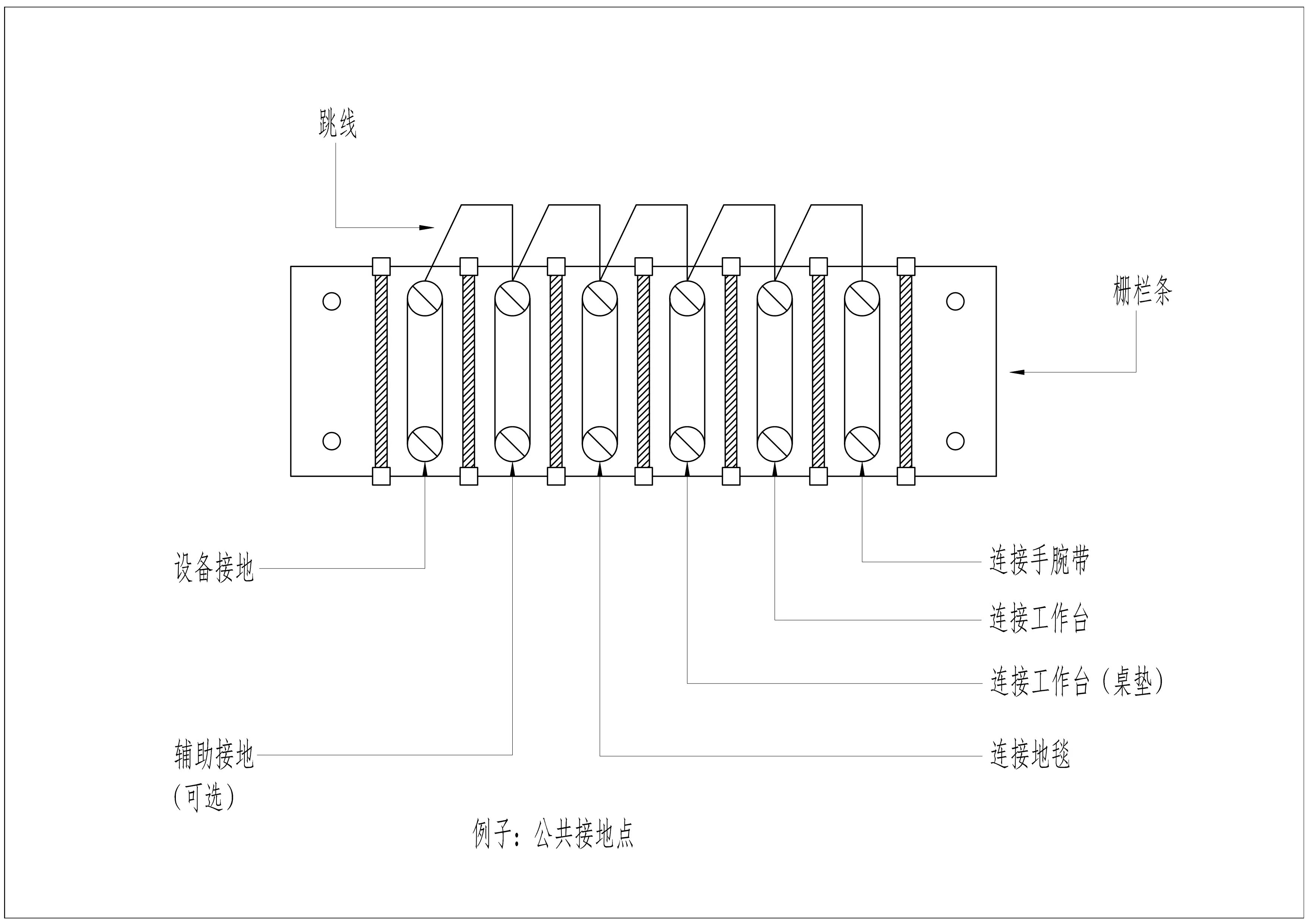
2.1、公共点接地
在 EPA 环境中使用的所有接地导体均应连接到等电荷点(不包括 2 级技术要素)。公共点接地可能是接线条,汇流排或 任何方便使用的结构,在其内部, 6.1.1 节指定用欧姆表测得的点到点的电阻值不能大于 1 欧姆

2.2、辅助接地系统

一个辅助接地应结合到设备接地,以确保在这两个系统之间的电位差
2.3、等电位连结
现场服务操作或其它 ESDS(ESD 敏感项目)操作可能没有接地条件。等电位连接提供了防 ESD 的安全操作方式,因 为在互联物件之间不存在电位差别

注:
1.参数限值使用了“阻抗”的概念。这是因为在这种接地方式中接地线上会有交流的干扰信号,那么是交流就需考虑电感和电容对线路电阻的影响,统一在一起就是阻抗。建议使用当前市面上有这款(SCSCTM051)阻抗测试仪。使用万用表测阻抗因为有MEI和脉冲干扰有时不能真实反映线路接地状况。

2.辅助接地两个系统之间的电气连接建议是在配电间的设备供电接线母排上,即尽量接近地桩端
3.等电位连接因为有软接地的存在,参数限值1.0x10^9 欧姆是最大值,即针对此时EPA内金属的接地限值仍是小于1欧姆




